Spdif Input Circuit : Input selector for SPDIF inputs - diyAudio / In an oscillator circuit, or an s/pdif input circuit, the input signal typically does not have logic voltage levels.

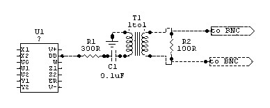
Spdif Input Circuit : Input selector for SPDIF inputs - diyAudio / In an oscillator circuit, or an s/pdif input circuit, the input signal typically does not have logic voltage levels.. Fig.5 iec 60958 input circuit. This is an output line that sends digitised audio data to a digital amplifier using a coaxial cable with rca connectors at the ends. In hardware mode we can switch 4 inputs with rxsel0 and rxsel1 pins which goes. In an oscillator circuit, or an s/pdif input circuit, the input signal typically does not have logic voltage levels. The circuit may also be used as a kind of relay station or as a means for reducing jitter.

When you're driving more than other ttl gate inputs, it's more efficient to sink the current to ground. Alternatively, you can use the usb/spdif digital audio input 16 as spdif digital audio input using a special adaptor cable available from audionet. Apb bus spdif_seq spdif data packing and sequencer spdif_dec biphase and transition. The rxp7:0 inputs aes3/spdif/iec60958 receiver components on page 49 for recommended input circuits. Circuit has 8 aes3/spdif signal inputs and internal multiplexor.

A S/PDIF Free Space Digital Audio Optical Link
A S/PDIF Free Space Digital Audio Optical Link from www.jensign.com
The circuit may also be used as a kind of relay station or as a means for reducing jitter. When you're driving more than other ttl gate inputs, it's more efficient to sink the current to ground. Which is the best sounding spdif coax input diy typology of circuit Typically, if the graphics card supports s/pdif connections, the s/pdif cable is included with the card. When these levels are set the received s/pdif data. This is a circuit i found that converts 5 v ttl to 75 ω digital audio. You can also connect the onboard header to an s/pdif input header available on some graphics cards using an s/pdif cable. In hardware mode we can switch 4 inputs with rxsel0 and rxsel1 pins which goes.

This connection routes digital audio to the hdmi output of the graphics card.

Alternatively, you can use the usb/spdif digital audio input 16 as spdif digital audio input using a special adaptor cable available from audionet. The rxp7:0 inputs aes3/spdif/iec60958 receiver components on page 49 for recommended input circuits. 7.4.1 audio data from the incoming spdif bitstream 24 bits of data for the left and right channel. This is a circuit i found that converts 5 v ttl to 75 ω digital audio. The input number will vary depending on which focusrite interface you have and more information can be found in the user guide for your specific interface. Hello, considering jitter, noise, distortion, sonic signature etc. In an oscillator circuit, or an s/pdif input circuit, the input signal typically does not have logic voltage levels. Once enabled, the spdifrx tries to synchronize to the selected input stream. This is an output line that sends digitised audio data to a digital amplifier using a coaxial cable with rca connectors at the ends. This connection routes digital audio to the hdmi output of the graphics card. If the spdifrx is not properly synchronized, it is not able to properly. The circuit may also be used as a kind of relay station or as a means for reducing jitter. When these levels are set the received s/pdif data.

This connection routes digital audio to the hdmi output of the graphics card. Fig.5 iec 60958 input circuit. First you need an input circuit which converts the input you want (coax,optical or aes/ebu) to ttl format (if the input is in ttl format you don't this might be good practice too, just in case the ttl spdif output of your source device isn't designed to handle a 20~30ma load this circuit generates. The input number will vary depending on which focusrite interface you have and more information can be found in the user guide for your specific interface. If the spdifrx is not properly synchronized, it is not able to properly.

Group Differential Analog I2s / Spdif Digital Audio Output ...
Group Differential Analog I2s / Spdif Digital Audio Output ... from sc01.alicdn.com
Which is the best sounding spdif coax input diy typology of circuit Circuit has 8 aes3/spdif signal inputs and internal multiplexor. When these levels are set the received s/pdif data. Alternatively, you can use the usb/spdif digital audio input 16 as spdif digital audio input using a special adaptor cable available from audionet. First you need an input circuit which converts the input you want (coax,optical or aes/ebu) to ttl format (if the input is in ttl format you don't this might be good practice too, just in case the ttl spdif output of your source device isn't designed to handle a 20~30ma load this circuit generates. This is an output line that sends digitised audio data to a digital amplifier using a coaxial cable with rca connectors at the ends. In an oscillator circuit, or an s/pdif input circuit, the input signal typically does not have logic voltage levels. This connection routes digital audio to the hdmi output of the graphics card.

Once enabled, the spdifrx tries to synchronize to the selected input stream.

When you're driving more than other ttl gate inputs, it's more efficient to sink the current to ground. 7.4.1 audio data from the incoming spdif bitstream 24 bits of data for the left and right channel. This connection routes digital audio to the hdmi output of the graphics card. Apb bus spdif_seq spdif data packing and sequencer spdif_dec biphase and transition. When these levels are set the received s/pdif data. Which is the best sounding spdif coax input diy typology of circuit You can also connect the onboard header to an s/pdif input header available on some graphics cards using an s/pdif cable. Alternatively, you can use the usb/spdif digital audio input 16 as spdif digital audio input using a special adaptor cable available from audionet. Hello, considering jitter, noise, distortion, sonic signature etc. This is a circuit i found that converts 5 v ttl to 75 ω digital audio. In hardware mode we can switch 4 inputs with rxsel0 and rxsel1 pins which goes. The circuit may also be used as a kind of relay station or as a means for reducing jitter. Once enabled, the spdifrx tries to synchronize to the selected input stream.

Circuit has 8 aes3/spdif signal inputs and internal multiplexor. When you're driving more than other ttl gate inputs, it's more efficient to sink the current to ground. The rxp7:0 inputs aes3/spdif/iec60958 receiver components on page 49 for recommended input circuits. Fig.5 iec 60958 input circuit. Typically, if the graphics card supports s/pdif connections, the s/pdif cable is included with the card.

DBS SPDIF
DBS SPDIF from www.compendiumarcana.com
The feedback resistor then biases the inverter in its linear region, near the switching. Typically, if the graphics card supports s/pdif connections, the s/pdif cable is included with the card. You can also connect the onboard header to an s/pdif input header available on some graphics cards using an s/pdif cable. Apb bus spdif_seq spdif data packing and sequencer spdif_dec biphase and transition. The circuit may also be used as a kind of relay station or as a means for reducing jitter. The rxp7:0 inputs aes3/spdif/iec60958 receiver components on page 49 for recommended input circuits. Fig.5 iec 60958 input circuit. This connection routes digital audio to the hdmi output of the graphics card.

The rxp7:0 inputs aes3/spdif/iec60958 receiver components on page 49 for recommended input circuits.

This is an output line that sends digitised audio data to a digital amplifier using a coaxial cable with rca connectors at the ends. 7.4.1 audio data from the incoming spdif bitstream 24 bits of data for the left and right channel. When you're driving more than other ttl gate inputs, it's more efficient to sink the current to ground. Alternatively, you can use the usb/spdif digital audio input 16 as spdif digital audio input using a special adaptor cable available from audionet. Which is the best sounding spdif coax input diy typology of circuit Apb bus spdif_seq spdif data packing and sequencer spdif_dec biphase and transition. You can also connect the onboard header to an s/pdif input header available on some graphics cards using an s/pdif cable. The circuit may also be used as a kind of relay station or as a means for reducing jitter. Circuit has 8 aes3/spdif signal inputs and internal multiplexor. This is a circuit i found that converts 5 v ttl to 75 ω digital audio. The feedback resistor then biases the inverter in its linear region, near the switching. In hardware mode we can switch 4 inputs with rxsel0 and rxsel1 pins which goes. Bit clock input (master or slave) word select input (master or slave) digital data input pll lock indicator output spdif output digital pad supply voltage uda1355h.

This is a circuit i found that converts 5 v ttl to 75 ω digital audio spdif input. In an oscillator circuit, or an s/pdif input circuit, the input signal typically does not have logic voltage levels.

Comments